烏克蘭OKOndt
龐羽梁儀器儀表(上海)有限公司是烏克蘭OKOndt TOFD Man超聲波焊縫檢測設備的授權代理商
烏克蘭OKOndt TOFD Man超聲波焊縫檢測設備 產品介紹:
產品品牌:烏克蘭OKOndt
產品型號:TOFD Man
產品類別:超聲測試
產品備注:波焊縫檢測設備

烏克蘭OKOndt TOFD Man超聲波焊縫檢測設備 產品描述:
近30年來,超聲時差衍射(TOFD)無損檢測技術發展迅速,已成為焊接接頭檢測中不可替代的技術。TOFD確保了舒適測量缺陷臨界尺寸的高精度。在很寬的材料厚度范圍內都可以獲得優于±1毫米的精度。

該系統是為使用TOFD技術測試管道,儲罐,容器,水箱,船體,橋梁等的長焊接接頭而設計的。 可以檢查圓柱形物體上直徑為12英寸(300毫米)的周向焊縫。 對于表面曲率半徑從16 ft(5 m)到平整度的圓柱形,球形以及復雜形狀的物體,該系統能夠在任何方向上測試長焊縫。 壁厚為.25至12英寸(6至300毫米)的物體可以借助適當的探頭進行檢查。 根據檢查任務的不同,TOFD MAN TM系統可以與另一臺掃描儀配合使用。 探頭對的數量可以從1到4不等。為實現良好的耦合,建議使用外部耦合劑供應系統。 在這種情況下,水管將連接到掃描儀。 但是,如果需要*對的移動性,則可以在測試之前將耦合介質應用到物體上,或者可以用水連續沖淋測試件。
將設備放置在操作員的多功能背心中,該背心也不會妨礙運動,而且在進行高空檢查(攀爬,接近繩索)時也是如此。 標準系統套件隨附8到10個小時的電池,可以放在背心中。 掃描儀重量輕且易于操作。 它確保了方便的探針設置。
在設置和測試過程中,所有設置數據都會通過Wi-Fi傳輸到遠程計算機(筆記本電腦或平板電腦)。 提供了一個用于保護測試數據完整性的系統,同時這些數據已完全存儲在TOFD模塊中,并在測試結束時轉移到了電腦。 如果需要,可以使用有線連接將數據傳輸到計算機。

烏克蘭OKOndt TOFD Man超聲波焊縫檢測設備 產品特點:
?快速,準確和高度可重復的焊縫檢查。
?無線操作。 具有數據采集電腦的無損檢測檢查員可以在Wi-Fi范圍內的任何位置工作。
?超聲波焊接測試儀可與任何基于Windows的計算機一起使用:筆記本電腦,臺式機,平板電腦等。其界面既是電腦鼠,又是觸摸屏。
?選擇,請勿設置! 由于元素庫(幾何庫、材料庫、掃描儀庫、探針庫等)的存在,設置非常快速和全面。
?每個探頭下方分別自動供水。
?通過掃描儀設計保護電子設備免受機械沖擊。

烏克蘭OKOndt TOFD Man超聲波焊縫檢測設備 產品優點:
?與回波脈沖技術相比,識別缺陷的方向無關
?與射線照相法不同,可以檢測出不垂直于被監測表面的平坦缺陷和裂縫
?高重復性
?能夠測量確切的缺陷尺寸
?僅沿接縫快速掃描。完全控制一個掃描周期。
?即時輸出和帶有圖形圖像的連續數字記錄
?對振幅振動不敏感-聲耦合不太重要
?設置獨立于焊接配置
TOFD Man是緊湊而可靠的測試系統,可確保穩定的掃描結果。 帶有自定位系統的磁輪和彈簧加載的探針支架可確保傳感器在物體表面的穩定性,從而實現良好的耦合,從而確保測試結果的可靠性。 掃描儀易于驅動,即使倒置也不會從物體上掉下來。
該系統由放置在公用事業背心中的元素組成:
?TOFD以太網模塊,
?Wi-Fi模塊
?可充電電池組。
TOFD模塊和電池組的外殼防震。 所有設備的防護等級均為IP65。 掃描儀設計可確保如果掃描儀跌落,主要的影響將來自于掃描器的結構元件來保存電子設備,從而節省電子設備。 蓄電池可提供8-10個小時的TOFD Man系統運行時間。
烏克蘭OKOndt TOFD Man超聲波焊縫檢測設備 軟件簡介:
TOFD系統的軟件由一系列選項卡組成,操作員可以通過這些選項卡逐步執行設置,收集和分析數據的過程。該軟件中的操作既可以使用鼠標進行操作,也可以進行觸摸控制,因此可以在不同類型的計算機上運行-平板電腦,筆記本電腦,臺式計算機,多合一PC等。元素庫(幾何庫,材料庫,掃描儀庫,傳感器庫等)的廣泛使用大大簡化了設置過程。 因此,設置過程簡化為從庫中選擇必要的元素。為了完成單個監視任務,可以隨時保存并加載合適的完整配置包。
主要軟件功能分布在以下選項卡中:
?對象?選項卡:
選擇幾何類型(確定)并設置其大小;
選擇物料類型(確定);
選擇焊縫切割類型并調整其尺寸。

?掃描儀?選項卡:
選擇掃描儀;
設置掃描儀類型:手動,電動;
設置相對于坐標系原點的TOFD傳感器對的空間位置;
使用多達4對TOFD換能器;
進行編碼器校準。

?TOFD設置?選項卡:
選擇TOFD探針、TOFD楔塊的類型或參數設置;
設置PCS – TOFD傳感器的分度點之間的距離及其相對于焊接接頭軸線的偏移;
使用TOFD計算器計算和圖形顯示以下參數:
空間分辨率(R);
掃描表面死區(D);
后墻盲區(D);
軌跡曲線;
光束傳播。

?TOFD校準?選項卡:
設置主要的超聲波檢驗參數;
進行實時TOFD校準;
實時檢查校準塊中反射鏡的檢測情況;
保存校準結果。

?數據采集?選項卡:
在測試過程中進行A-掃描+ TOFD掃描顯示;
進行測試和數據采集;
顯示當前掃描儀位置和掃描速度;
在測試過程中通過側波進行數據同步;
考慮到掃描方向和在聲耦合損耗下重新掃描區域的能力;
保存測試結果。

?數據分析?選項卡:
以А掃描和TOFD掃描的形式查看和分析保存的數據;
使用兩個測量門(類型:正常,雙曲線,手動雙曲線)快速詳細地分析測試結果;
對于所有指示,可以測量以下參數:
它們在對象中的位置(X和Y坐標);
它們的長度(ΔX);
它們的深度和高度(Z,ΔZ);
它們的類型:“體積”,“上表面破裂”,“下表面破裂”或“內部”;
建立缺陷表并保存。

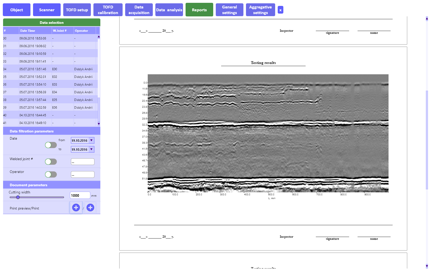
?報告?選項卡:
在數據庫中對測試結果進行排序和過濾;
TOFD掃描縮放以打印輸出;
報告預覽;
打印報告。

烏克蘭OKOndt TOFD Man超聲波焊縫檢測設備 相關參數:

TOFD傳感器規格:
| 目錄編號 | 頻率,MHz | 元素直徑 | 物體厚度 | ||
| in | mm | in | mm | ||
| TWS10-3-TOFD 3/8″ | 10 | 0.125 | 3 | .390-.600 | 10月15日 |
| TWS10-6-TOFD 3/8″ | 10 | 0.25 | 6 | .600-1.4 | 15-35 |
| *?TWS5-6-TOFD 3/8″ | 5 | 0.25 | 6 | 1.4-2.0 | 15-50 |
| TWS5-12-TOFD M16 | 5 | 0.5 | 12 | 2.0-4.0 | 50-100 |
| TWS3-12-TOFD M16 | 3 | 0.5 | 12 | 4.0-8.0 | 100-200 |
| TWS2.5-12-TOFD M16 | 2.5 | 0.5 | 12 | 8.0-6.0 | 200-300 |
| TWS2.25-12-TOFD M16 | 2.25 | 0.5 | 12 | 8.0-6.0 | 200-300 |
| TWS3-8-TOFD M16 | 3 | 0.325 | 8 | 4.0-8.0 | 100-200 |
| TWS2.5-8-TOFD M16 | 2.5 | 0.325 | 8 | 4.0-8.0 | 100-200 |
| TWS2.25-8-TOFD M16 | 2.25 | 0.325 | 8 | 4.0-8.0 | 100-200 |

TOFD楔子規格:
| 目錄編號 | 螺紋直徑 | 折射角o |
| WS45 L-3/8″-TOFD | 3/8″ | 45 |
| WS60 L-3/8″-TOFD | 3/8″ | 60 |
| *?WS70 L-3/8″-TOFD | 3/8″ | 70 |
| WS45 L-M16-TOFD | M16 | 45 |
| WS60 L-M16-TOFD | M16 | 60 |
| WS70 L-M16-TOFD | M16 | 70 |

技術指標
| 測試對象參數 | |
| 厚度范圍: | 一次通過6-50 毫米;分幾次更換傳感器50-300 毫米。 |
| 圓柱物體的直徑。 | 距飛機300毫米 |
| 球形物體的直徑。 | 距平面5毫米 |
| 焊接輪廓的類型。 | 任何 |
| 掃描儀TOFD 2.2 Lite | |
| 尺寸(長×寬×高) | 450×240×120毫米 |
| 重量可達 | 2.8公斤 |
| TOFD傳感器對數s | 1 |
| 每個傳感器的接觸液供應 | |
| 兼容的探針和楔子 | |
| 頻率 | 1-15 MHz |
| 角度(L波) | 45°, 60°, 70° |
| 測量 | |
| 游標數 | 2 |
| 游標類型 | 常規(十字)雙曲線 |
| 手動定位 | ? |
| 自動定位 | ? |
| *對測量 | ? |
| 相對測量 | ? |
| 適應癥表 | ? |
| 指示參數 | X, X1, X2, dX Z, Z1, Z2, dZ類型(點,上,下,中,體積)振幅 |
| 單位 | 毫米/英寸/微秒 |
TOFD裝置規格
| 單元連接器 | |
| 脈沖接收 | 2×BNC |
| 編碼器 | ? |
| 功率 | ? |
| RS485 | ? |
| 局域網 | ? |
| 同步輸入 | ? |
| 觸發輸出 | ? |
| 脈沖發生器 | |
| 矩形沖量 | SWP |
| 電壓 (SWP) | 20 V, 30 V, 40 V, 50 V, 80 V, 100 V |
| 能量 (SWP) | 20 納秒至500 納秒,步長為10 納秒 |
| PRF | 從15到2000 Hz的 |
| 接收者 | |
| 范圍高達 | 100μs |
| 延遲高達 | 100 μs |
| 增益 | 0-110 dB,以0.1 dB為步長 |
| 最大輸入信號峰峰值 | 20 V |
| 帶寬 | 0.2 MHz – 27 MHz |
| 濾波器 | 1 MHz, 2-3 MHz, 4-5 MHz, 10 MHz, 15 MHz,寬帶 |
| 信號平均 | 2x / 4x / 8x / 16x / 32x |
烏克蘭OKOndt TOFD Man超聲波焊縫檢測設備 產品配置:
標準套件:
可用選項:
TOFDMan, 烏克蘭OKOndt, 焊縫檢測設備, 超聲波焊縫檢測設備
![]() |
|