德國SEBAKMT(賽巴)
SebaKMT賽巴 NIM1000便攜式電網質量智能分析儀產品介紹:
產品型號:NIM1000
產品品牌:sebakmt賽巴
產品類別:智能分析儀
產品備注:便攜式電網質量智能分析儀
SebaKMT賽巴 NIM1000便攜式電網質量智能分析儀產品簡介:
NIM 1000通過Z高1kA的測試電流在線測量低壓回路阻抗,可提前發現預防低壓電網中的重大缺陷。NIM 1000適合電網供電、發電、地鐵、鐵路、應急指揮、銀行數據中心、新能源、智能電網示范區建設的380V供電系統。
SebaKMT賽巴 NIM1000便攜式電網質量智能分析儀產品功能:
1、在線測量低壓電網的阻抗
2、在線試驗低壓電纜的zui大負載能力
3、在線測量低壓電網的電能質量
NIM1000現場接線非常簡單,由被測單相220v或三相380v回路提供電源

測試方法
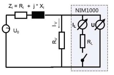
為了確定被測380V電網阻抗,NIM1000設計了固態繼電器和負載電阻,能產生操作者預先設定的測試大電流脈沖信號。NIM1000采用模數轉換單元,可記錄測量前后電壓和電流隨時間波形。NIM1000內置中央處理器自動評價測得數據,將測量結果自動用數值和圖形兩種形式顯示出來。當您進行多相測試時,隨著連接點的不同,NIM1000自動切換,自動將測量記錄保存在預設的相位存儲單元。


用戶負載Rv 降低兩端電壓Uv
附加負載RL 進一步降低兩端電壓UL
SebaKMT賽巴 NIM1000便攜式電網質量智能分析儀產品優勢:
1、小巧易攜帶的現場使用便攜式測試,操作簡單
2、zui高測試電流高達1000A;支持單相模式和三相模式
3、測量電網高達10次諧波的阻抗 ;
4、直接顯示所有測量參數自動長期測量(如 48小時內每15分鐘測量);
5、USB2.0導出在線檢測報告產品配置NIM1000主機開爾文Kelvin標準四端子測量鉗,插座適配器,U盤備用保險絲,中文說明書
![]() |
|